切换区域和部门
门户网站
中文
英语/English
越南语/Tiếng Việt
泰语/ฉบับภาษาไทย
区县网站
城中区
鱼峰区
柳南区
柳北区
柳江区
柳城县
鹿寨县
融安县
融水苗族自治县
三江侗族自治县
市委部门
监察委员会
市委组织部
市委统战部
市委政法委
市委政策研究室
市委编办(绩效办)
市委市直机关工委
市委老干部局
市委党史研究室
市委党校
市政府部门
市发展改革委
市工业和信息化局
市教育局
市科技局
市民宗委
市公安局
市民政局
市司法局
市财政局
市人力资源社会保障局
市自然资源和规划局
市生态环境局
市住房城乡建设局
市交通运输局
市水利局
市农业农村局
市商务局
市文化广电旅游局
市卫生健康委
市退役军人事务局
市应急管理局
市审计局
市外事办
市市场监管局
市体育局
市统计局
市林业和园林局
市国动办
市园区办
市数据局
市医保局
市城市管理局
市行政审批局
市国资委
园区/开发区
柳东新区管委会(高新区管委会)
北部生态新区管委会(阳和工业新区管委会)
事业机构部门
市投资促进局
市机关事务管理局
市发展研究中心
市接待办
市地方志办
市供销社
市住房公积金中心
市莲花山保护中心
中央区直部门
国家税务总局柳州市税务局
群团组织
团市委
市妇联
市科协
市社会科学界联合会
市红十字会
市文联
市残联
市总工会
市工商业联合会
市贸促会
民主党派
柳州民进
事业单位
公共资源交易服务中心
市土地交易储备中心
市档案信息网
网站支持IPv6
无障碍阅读
繁体版
政务微信
移动端
长者专区
欢迎访问三江侗族自治县人民政府门户网站! 今日是:
宜居
宜业
宜游
首 页
走进三江
政府信息公开
网上办事
网上办事
龙城市民云
公共服务
政务地图
互动回应
县长信箱
智能问答
常见问题汇编
在线访谈
调查征集
政策解读
热点回应
网上信访
信件大数据分析
数据专题
当前位置:
首页
>
新闻中心
>
通知公告
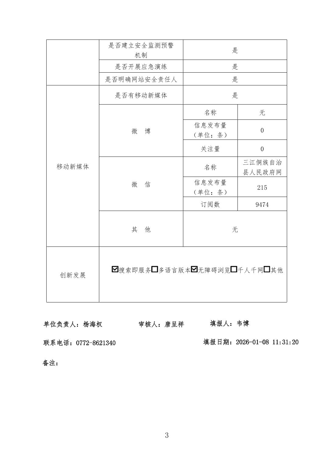
2025年三江侗族自治县人民政府网站年度报表
来源: 三江县发改局 | 发布日期: 2026-01-16 17:30 |
字体大小:[
小
中
大
]
相关附件:
相关文档:
【打印正文】
分享本文至:
通知公告
首页
新闻中心
三江要闻
通知公告
气象信息
国务院信息
自治区信息
柳州市信息
全国要闻
走进三江
三江概况
宣传展示
三江风情
三江交通住行
党史宣传教育
视频宣传
政府信息公开
政策
政府信息公开指南
政府信息公开制度
政府信息公开目录
法定主动公开内容
政府信息公开年报
依申请公开
县政府领导
网上办事
网上办事
龙城市民云
公共服务
政务地图
互动回应
市长信箱
智能问答
常见问题汇编
在线访谈
调查征集
政策解读
热点回应
网上信访
信件大数据分析
数据专题
数据发布
精彩专题
2025年三江侗族自治县人民政府网站年度报表
发布日期: 2026-01-16 17:30
来源: 三江县发改局
相关附件:
相关文档:
版权所有 广西柳州市三江侗族自治县政府
地址/AD:广西壮族自治区柳州市三江侗族自治县江峰街7号
政府热线:0772-8612234 维护电话:0772-8621340
桂ICP备 10201727-1
桂公网安备45022602000017号
网站标识码:4502260001
首页
政府信息公开
数据专题
全站导航